Zhaga Receptacle adopts the standardized interface defined in Zhaga Book 18, which is specially designed for LED light sources and actuators in outdoor lamps. Zhaga Receptacle includes receptacle assembly, sealing cap and two bases with dimensions of 40mm and 80mm, which can provide complete electrical connection between the receptacle and the related sensor module. The receptacle assembly is used in combination with the sensors and actuators, which can be inserted into the rotary lock and pluggable sensor module. It can also provide DC power supply for the module, and can provide DALI 2.0 or derived two-conductor line bus for communication and data transmission. The product adopts compact design, which makes it easy to install the sensor module upwards, sideways or downwards on road, street and area lighting fixtures.

Application
Street and Area Lighting Outdoor Luminaires
- Wall Packs
- Parking Lots
- Walkways Photo Controls
Central Management System Other sensor modules
Electrical
Contacts rating: 1.5A, 30V (24V typical) Hot pluggable capable
4 pole contacts
- Pin 1: 24Vdc
- Pin 2: DALI (or DALI based protocol) 一/common ground
- Pin 3: DALI (or DALI based protocol) +
- Pin 4: General I/O
Benefits
Standardized interface defined in Zhaga Book 18.
Compact size allowing greater flexibility in luminaire design.
Advanced sealing to achieve IP65 with no mounting screws.
Scalable solution allows use of Ø40mm photocell and a Ø80mm central management system with the same connection interface.
Flexible mounting position, upwards, downwards and sideways facing.
Integrated single gasket that seals to both luminaire and module that minimizes assembly time.
Mechanical
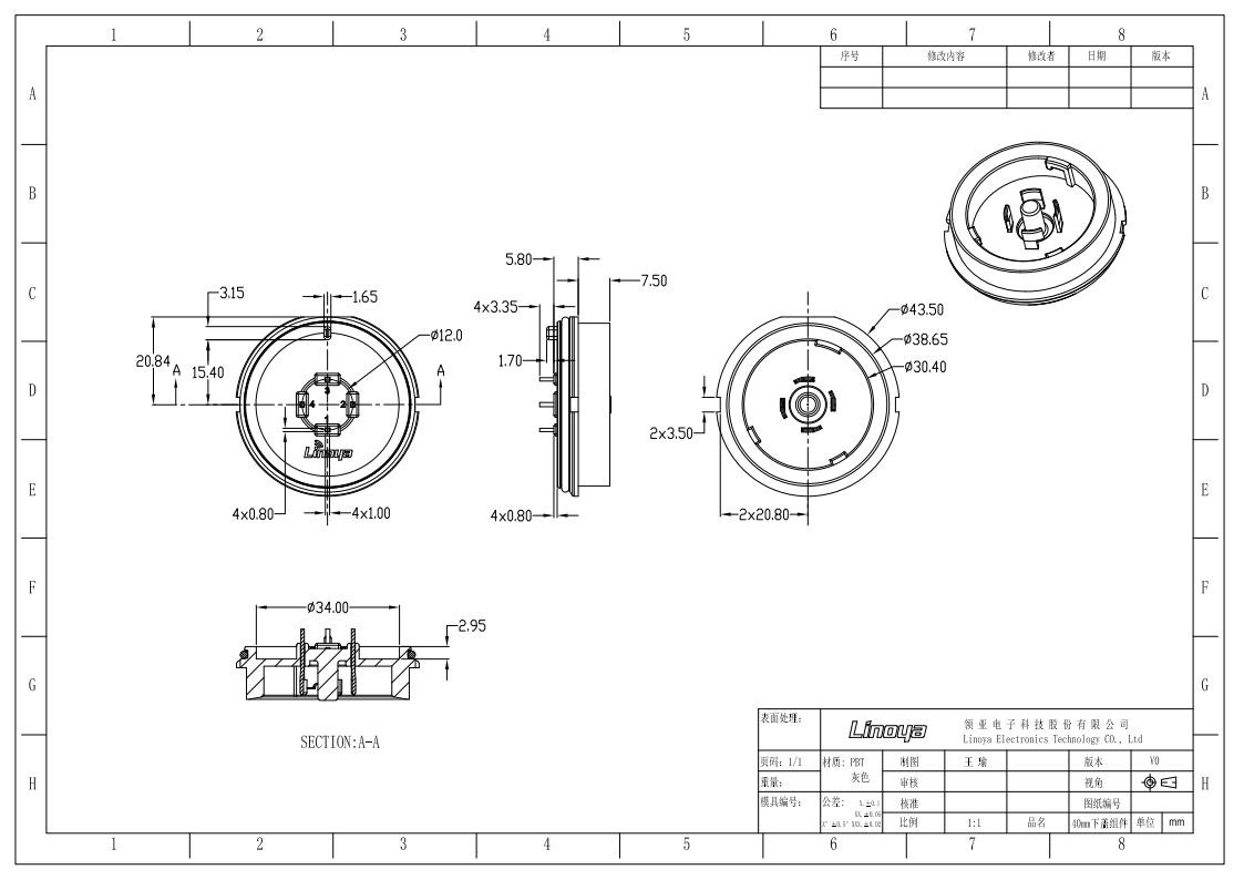
Mounting: M20 × 1.5 thread
Receptacle: Ø30mm
Gasket: Ø36.5mm
Thread length: 17mm
IP65
IK09 rated system solution
Product Information
| Product Image Product | Product Descriptio | Product Image | Product Description |
|
|
Receptacle |
|
40mm Dome(low) |
![]() |
Sealing Cap |
|
40mm Dome(tall) |
|
|
40mm Base |
![]() |
80mm Dome(low) |
![]() |
80mm Base |
![]() |
80mm Dome(tall) |

Hot Tags: zhaga base, China zhaga base manufacturers, suppliers, Sealing Component, Socket outlet, Zhaga Base, Zhaga Dome, Zhaga Receptacle, zhaga socket








